Introduction
A root canal is done when the living part of the tooth, the pulp has become infected or died. It is the process of removing the living part, steralising it, then sealing the tooth. This allows a patient to effectively keep a dead tooth.

[ Image source: http://en.wikipedia.org/wiki/Root_canal]
Root Canal Complexity
Most of the diagrams that describe the process of cleaning a root canal, present a fairly simplistic picture of a single canal. The reality is that root canals can be very complex making mechanical removal of all the dead tissue impossible.
The following image is from a dental text book, written in the 1940s.

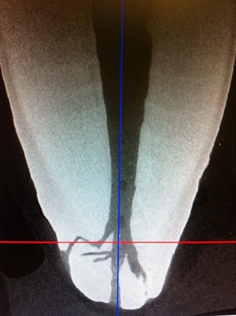
This next image was captured by a high powered CT scanner.

How is a mechanical file supposed to remove the necrotic tissue from the lateral or accessory canals?
Dentin
Whilst dentists go to great effort to clean and steralise the central canal, there is a much larger part of the tooth that there is no known way scientifically to fully steralise, the dentin. Dentin is the hard part, just under the enamel that makes up most of the rest of the tooth. Under a microscope it looks like this:

[ Image Source: http://www.iob.uio.no/studier/undervisning/histologi/section/052/index.php]
It has millions of tiny canals that project from the center of a tooth, where the nerve lives to the outside. If these canals are not fully steralised, bacteria can grow and persist indefinitely in the tooth, releasing toxins that will eventually end up in the blood stream. There are a range of tools avaiable to dentists, which they believe will steralise the inside of a tooth. However according to the Hong Kong dental journal:
"However bearing in mind the complex anatomy of the root canal system and the ability of microorganisms to survive under adverse conditions, it might be premature to believe that the total sterilization of the root canal system could be readily achieved. In the age evidence-based dentistry, it is advisable to wait until new quality independent data are available to support the use of such new technologies."
Bacteria in the dentin, whilst they might not be able to escape through the surface of a tooth, their toxins can diffuse through the cementum layer on the outside, and water and nutrients can diffuse back the other way.
From the book Dental hard tissues and bonding - By Theodore Eliades, David C. Watts:
"In general the cementum matrix is porous allowing only permeatation of water and organic ions under physiological tissue conditions. Nevertheless, the structure of diseases root surface is also permeable to saliva organic components and plaque bacterial byproducts."
This process can quite literally turn a tooth into a mini toxic waste producing factory in a persons mouth, with possible devestating consequences to the health of that person.
Bone Destruction
The long term consequence of having root filled teeth is the destruction of bone around the roots. I write this section from personal experience, as well as speaking to other dentists about it. In my own case, I had a root canal tooth for 15 years, it was asymptomatic, it looked normal on the x-ray. Yet when the dentist removed it, all the bone around the tooth had essentially turned to mush. The bacteria in the tooth, their toxins eventually start to kill the bone. This necrosis can continue and progressively destroy more and more bone. It can also kill adjacent teeth. If the bone destruction is severe enough it will show up on x-ray. Something like 50% of bone needs to be destroyed often before any problems are visible. The problems are visible with cavitat scanners though, if you can find a dentist with one. This is a picture of the kind of damage root canal teeth can do to the bone.

Current Research
There isn't much research on the safety of root canals, even though dentists have been performing this procedure for over 100 years. I did however find some useful information in The Journal of the American Dental Association's own papers. The paper entitled Implant failures associated with asymptomatic endodontically treated teeth, deals with the problem of failing implants next to root canals. It gives some interesting incites into the problem.
Health Consequences
In the 1920's a dentist by the name of Weston A. Price undertook a massive 20 year research program into root canals. He wasn't just a regular dentist, he was actually the chairman of the research section of the National Dental Association, which later became the research section of the American Dental Association. He took a thousand extracted teeth, cleaned out the root canal as dentists normally do, and sealed them with gutta-percha, as dentists still do today. He would steralise the canals with strong chemicals and leave the teeth for 2 days. He would then break apart the teeth and culture them for bacteria. After 2 days more than 90% of the teeth were found to contain toxic bacteria. Price worked out almost 100 years ago that the bacteria trapped inside the dentin became anaerobic when the tooth is sealed, and the supply of oxygen is cut off. The toxins from anaerobic are thouands of times more damaging to the body than aerobic bacteria. In fact some of the most deadly toxins known are from the metabolic waste from anaerobic bactiera. Price would also take the tooth from a person with a specific disease, and insert it under the skin of a rabbit, and within a short period of time, sometimes a matter of days the animal would often come down with the exact same illness the person suffered from. He would take that same tooth and insert it in another animal, and it would also exhibit the same disease. He showed clearly these teeth were very toxic to the body.
What happened to Dr Price's research ? Nothing, the dental establishment just ignored it. They weren't going to give up this profitable procedure. For the most part, patients were happy as they got to keep their teeth instead of having them extracted. And dentists were happy as they got to make a lot of money. For me personally the problem is informed consent. People know today that cigarettes are bad, but if they choose they can still smoke them. People don't know root canal teeth are bad, so can not make an informed decision as to whether to keep a tooth or not. Root canal teeth are like cigarettes, just because you smoke doesn't mean you will get sick. But smoke enough, and for long enough the potential is there.
Removal
If you are concerned a root canal may be effecting your health, going to your local dentist to get it removed would be a waste of time. You would probably be better off just leaving it in. The reason is because most dentists don't remove the infected bone around a tooth. In the case of a root canal, the bone must be aggressively cleaned to make sure all the infection is gone. It also must be done in a way that won't damage the bone. Drilling away bone can overheat and kill it, implant surgeons know this well. The bone should be cut away with hand tools if possible, or drilled using a low speed drill cooled with saline. Ozone can be used to kill the anaerobic bacteria that will inevitably be present. The bone will grow over the top of the site where the root canal site was, regardless as to whether the bone was surgically cleaned out or not. If it wasn't, you will be left with a pocket of infection inside the bone, which might be just as bad, or worse for your health. This is my surgery picture of the infected bone being removed around where my root canal tooth used to be. Yes sadly it was a front tooth.
Media